Page 1 of 1
Need help identifying a smd capacitor
Posted: Fri Dec 07, 2012 11:38 am
by Yekuku
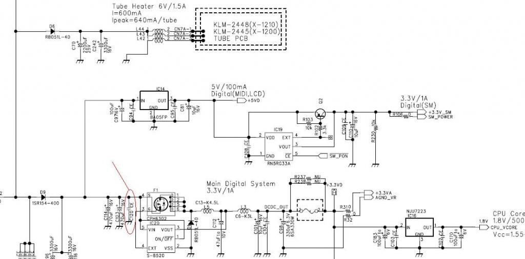
Hi, I am working on a Korg ESX that was connected to 220V instead of 110V.
Among the burnt components there is a capacitor that I cant identify.
It is marked as C120 -> CE, obviously it is a non-polarised cap.
here are the schematics:

Does anybody know the specs of the capacitor?
I am looking for a direct replacement part.
Many thanks
Re: Need help identifying a smd capacitor
Posted: Fri Dec 07, 2012 5:36 pm
by garranimal
Looking at this diagram there appear to be other 'CE' caps just like it at locations C103 and C104. Maybe they still have some markings on the components. Or maybe pull one of the good ones and measure.
Re: Need help identifying a smd capacitor
Posted: Sat Dec 08, 2012 12:14 am
by rhino
Likely an R.F. (clock) by-pass. I guess 0.001 uF to 0.01 uF. Also, look at the schematics for a notation like: "All unmarked caps are x.xxx".
Re: Need help identifying a smd capacitor
Posted: Sat Dec 08, 2012 5:45 am
by Stab Frenzy
rhino wrote:Likely an R.F. (clock) by-pass. I guess 0.001 uF to 0.01 uF. Also, look at the schematics for a notation like: "All unmarked caps are x.xxx".
+1
Re: Need help identifying a smd capacitor
Posted: Mon Dec 10, 2012 12:15 am
by Yekuku
thank you all for your replies.
I have gone through the whole manual and I cant find a note about what "CE" stands for.
Need to do some homework about what R.F. (clock) by-pass means

, and I ll get back to u

Re: Need help identifying a smd capacitor
Posted: Tue Dec 11, 2012 5:12 pm
by rhino
I think "CE" means they comply to European Standards... In the USA we have "UL" - Underwriter Laboratories"
The power buses of synths are full of noise: The ripple from the mains is surpressed by the large electrolytic capacitors, but the digital noise (from the CPU clock and all the digital switching going on) is not much affected by them. So smaller caps are wired in parallel to shunt the high frequency noise to ground. Many digital circuits have one of these little caps right near each IC.
Re: Need help identifying a smd capacitor
Posted: Tue Dec 11, 2012 11:43 pm
by Yekuku
thank you very much Bill for sharing your wisdom

I did my homework and I have found out that:
The most simple incarnation of the bypass capacitor is a cap connected directly to the power source and to ground. This simple connection will allow the AC component of VCC to pass through to ground. The cap acts like a reserve of current. The charged capacitor helps to fill in any 'dips' in the voltage VCC by releasing its charge when the voltage drops. The size of the capacitor determines how big of a 'dip' it can fill. The larger the capacitor, the larger the 'dip' it can handle. A common size to use is a .1uF capacitor. You will also see .01uF as a common value. The precise value of a bypass cap isn't very important.
I am going to try a 0.01 uF cap as u suggested and lets see how it goes.
i am wondering how I 'll be able to solder such a tiny smd cap...